LRWXH55C2R800T1UPS2
井兮精密軸承(上海)有限公司專業銷售IKO LRWXH55C2R800T1UPS2導軌,庫存日本IKO LRWXH55C2R800T1UPS2導軌大量現貨,與廠家常年批量訂購IKO LRWXH55C2R800T1UPS2導軌,您可來電咨詢庫存、報價、優惠等信息。咨詢熱線:021-36539288

更新時間:2025.12.16 瀏覽量:1160
同系列型號
IKO MES35C2R600T1PS1直線導軌基本尺寸參數
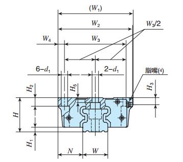
- 直線導軌型號:
- LRWXH55C2R800T1UPS2
- 品牌:
- IKO
- 類型:
- 直線導軌
- 系列:
- 直線導軌X系列
- 滑塊 kg:
- 9.08
- 滑軌 kg/m:
- 15.3
- 裝配尺寸H:
- 70
- 裝配尺寸H1:
- 9
- 裝配尺寸N:
- 49.5
- W1:
- —
- W2:
- 154
- W3:
- 130
- W4:
- 12
- L1:
- 262
- L2:
- 135
- L3:
- 189
- L5:
- 24.5
- L6:
- 106
- d1:
- 14
- H2:
- 18
- H3:
- 16
- H5:
- 10
IKO MES35C2R600T1PS1尺寸參數
- 直線導軌型號:
- LRWXH55C2R800T1UPS2
- W:
- 55
- H4:
- 47
- d3:
- 18
- d4:
- 26
- h:
- 21
- E:
- 50
- F:
- 100
- 附帶的滑軌(2) 安裝用螺栓 mm 螺釘的公稱x R:
- M16x50
- 基本額定動 負荷(3) C N:
- 186 000
- 基本額定靜 負荷(3) C0N:
- 330 000
- 額定靜力矩(3) T0 N m:
- 12 200
- 額定靜力矩(3) Tx N m:
- 10 700 57 900
- 額定靜力矩(3) Ty N m:
- 10 700 57 900
