MES35C2R1240T1H
井兮精密軸承(上海)有限公司專業銷售IKO MES35C2R1240T1H導軌,庫存日本IKO MES35C2R1240T1H導軌大量現貨,與廠家常年批量訂購IKO MES35C2R1240T1H導軌,您可來電咨詢庫存、報價、優惠等信息。咨詢熱線:021-36539288

更新時間:2025.10.21 瀏覽量:713
同系列型號
IKO MES35C2R600T1PS1直線導軌基本尺寸參數
- 直線導軌型號:
- MES35C2R1240T1H
- 品牌:
- IKO
- 類型:
- 直線導軌
- 系列:
- 自潤滑直線導軌系列
- 滑塊 kg:
- 1.21
- 滑軌 kg/m:
- 6.85
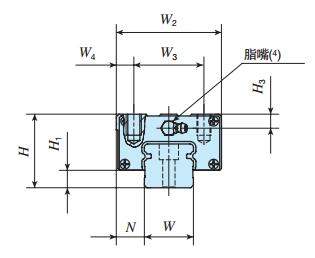
- 裝配尺寸H:
- 48
- 裝配尺寸H1:
- 11
- 裝配尺寸N:
- 18
- W2:
- 70
- W3:
- 50
- W4:
- 10
- L1:
- 111
- L2:
- 50
- L3:
- 74.6
- L4:
- 123
- M1:
- M 8x12
- H3:
- 10
IKO MES35C2R600T1PS1尺寸參數
- 直線導軌型號:
- MES35C2R1240T1H
- W:
- 34
- H4:
- 28
- d3:
- 9
- d4:
- 14
- h:
- 12
- E:
- 20
- F:
- 80
- 推薦的滑軌(2) 安裝用螺栓 mm 螺釘的公稱x R:
- M 8x 30
- 基本額定動 負荷(3) C N:
- 42 900
- 基本額定靜 負荷(3) C0N:
- 44 700
- 額定靜力矩(3) T0 N m:
- 686
- 額定靜力矩(3) Tx N m:
- 448 2 660
- 額定靜力矩(3) Ty N m:
- 412 2 450
