MHT25C2R1020T2HS1
井兮精密軸承(上海)有限公司專業銷售IKO MHT25C2R1020T2HS1導軌,庫存日本IKO MHT25C2R1020T2HS1導軌大量現貨,與廠家常年批量訂購IKO MHT25C2R1020T2HS1導軌,您可來電咨詢庫存、報價、優惠等信息。咨詢熱線:021-36539288

更新時間:2025.12.16 瀏覽量:1016
同系列型號
IKO MES35C2R600T1PS1直線導軌基本尺寸參數
- 直線導軌型號:
- MHT25C2R1020T2HS1
- 品牌:
- IKO
- 類型:
- 直線導軌
- 系列:
- 自潤滑直線導軌系列
- 滑塊 kg:
- 0.7
- 滑軌 kg/m:
- 3.5
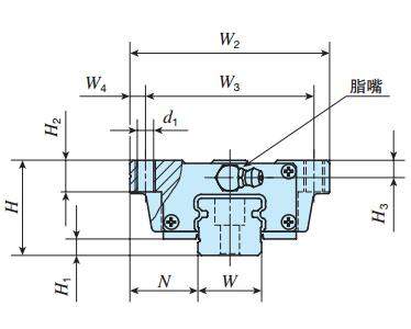
- 裝配尺寸H:
- 36
- 裝配尺寸H1:
- 6.5
- 裝配尺寸N:
- 23.5
- W2:
- 70
- W3:
- 57
- W4:
- 6.5
- L1:
- 95
- L2:
- 45
- L3:
- 63.9
- L4:
- 105
- d1(2):
- —
- M1:
- M8
- H2:
- 10
- H3:
- 6.5
IKO MES35C2R600T1PS1尺寸參數
- 直線導軌型號:
- MHT25C2R1020T2HS1
- W:
- 23
- H4:
- 22
- d3:
- 7
- d4:
- 11
- h:
- 9
- M:
- —
- h1(2):
- —
- h2:
- —
- E:
- 30
- F:
- 60
- 附帶的滑軌(3) 安裝用螺栓 mm 螺釘的公稱x R:
- M6x22
- 基本額定動 負荷(4) C N:
- 25 200
- 基本額定靜 負荷(4) C0N:
- 28 800
- 額定靜力矩(4) T0 N m:
- 362
- 額定靜力矩(4) Tx N m:
- 309 1 690
- 額定靜力矩(4) Ty N m:
- 309 1 690
