MHTL30C2R1200T1P
井兮精密軸承(上海)有限公司專業銷售IKO MHTL30C2R1200T1P導軌,庫存日本IKO MHTL30C2R1200T1P導軌大量現貨,與廠家常年批量訂購IKO MHTL30C2R1200T1P導軌,您可來電咨詢庫存、報價、優惠等信息。咨詢熱線:021-36539288

更新時間:2025.12.15 瀏覽量:631
同系列型號
IKO MES35C2R600T1PS1直線導軌基本尺寸參數
- 直線導軌型號:
- MHTL30C2R1200T1P
- 品牌:
- IKO
- 類型:
- 直線導軌
- 系列:
- 自潤滑直線導軌系列
- 滑塊 kg:
- 2.3
- 滑軌 kg/m:
- 4.82
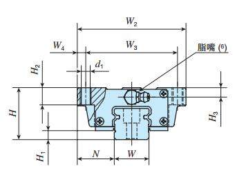
- 裝配尺寸H:
- 42
- 裝配尺寸H1:
- 8
- 裝配尺寸N:
- 31
- W2:
- 90
- W3:
- 72
- W4:
- 9
- L1:
- 185
- L2:
- 52
- L3:
- 152.2
- L4:
- 194
- d1(2):
- 8.5
- M1:
- M10
- H2:
- 10
- H3:
- 8
IKO MES35C2R600T1PS1尺寸參數
- 直線導軌型號:
- MHTL30C2R1200T1P
- W:
- 28
- H4:
- 25
- d3:
- 9
- d4:
- 14
- h:
- 12
- M:
- —
- h1(3):
- —
- h2:
- —
- E:
- 40
- F:
- 80
- 附帶的滑軌(4) 安裝用螺栓 mm 螺釘的公稱x R:
- M8x28
- 基本額定動 負荷(5) C N:
- 54 400
- 基本額定靜 負荷(5) C0N:
- 75 100
- 額定靜力矩(5) T0 N m:
- 1 150
- 額定靜力矩(5) Tx N m:
- 1 740 8 240
- 額定靜力矩(5) Ty N m:
- 1 740 8 240
