ML9C2R160T1P
井兮精密軸承(上海)有限公司專業銷售IKO ML9C2R160T1P導軌,庫存日本IKO ML9C2R160T1P導軌大量現貨,與廠家常年批量訂購IKO ML9C2R160T1P導軌,您可來電咨詢庫存、報價、優惠等信息。咨詢熱線:021-36539288

更新時間:2025.12.15 瀏覽量:730
同系列型號
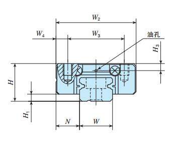
IKO MES35C2R600T1PS1直線導軌基本尺寸參數
- 直線導軌型號:
- ML9C2R160T1P
- 品牌:
- IKO
- 類型:
- 直線導軌
- 系列:
- 自潤滑直線導軌系列
- 滑塊 kg:
- 18
- 滑軌 kg/m:
- 35
- 裝配尺寸H:
- 10
- 裝配尺寸H1:
- 2
- 裝配尺寸N:
- 5.5
- W2:
- 20
- W3:
- 15
- W4:
- 2.5
- L1:
- 30
- L2:
- 10
- L3:
- 20.8
- M1x深度:
- M3x3
- H3:
- 2.2
IKO MES35C2R600T1PS1尺寸參數
- 直線導軌型號:
- ML9C2R160T1P
- W:
- 9
- H4:
- 6
- M2:
- —
- d3:
- 3.5
- d4:
- 6
- h:
- 3.5
- E:
- 10
- F:
- 20
- 附帶的滑軌(2) 安裝用螺栓 mm 螺釘的公稱x R:
- M3x8
- 基本額定動 負荷(4) C N:
- 1 810
- 基本額定靜 負荷(4) C0N:
- 2 760
- 額定靜力矩(4) T0 N m:
- 12.8
- 額定靜力矩(4) Tx N m:
- 9.1 51.1
- 額定靜力矩(4) Ty N m:
- 7.6 42.9
