MLC25C2R480T0
井兮精密軸承(上海)有限公司專業銷售IKO MLC25C2R480T0導軌,庫存日本IKO MLC25C2R480T0導軌大量現貨,與廠家常年批量訂購IKO MLC25C2R480T0導軌,您可來電咨詢庫存、報價、優惠等信息。咨詢熱線:021-36539288

更新時間:2025.12.16 瀏覽量:798
同系列型號
IKO MES35C2R600T1PS1直線導軌基本尺寸參數
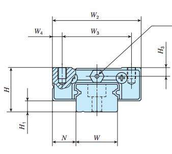
- 直線導軌型號:
- MLC25C2R480T0
- 品牌:
- IKO
- 類型:
- 直線導軌
- 系列:
- 自潤滑直線導軌系列
- 滑塊 kg:
- 189
- 滑軌 kg/m:
- 243
- 裝配尺寸H:
- 25
- 裝配尺寸H1:
- 5
- 裝配尺寸N:
- 12.5
- W2:
- 48
- W3:
- 35
- W4:
- 6.5
- L1:
- 54.5
- L2:
- —
- L3:
- 31.9
- L4:
- 64
- M1x深度:
- M6x7
- H3:
- 5
IKO MES35C2R600T1PS1尺寸參數
- 直線導軌型號:
- MLC25C2R480T0
- W:
- 23
- H4:
- 15
- d3:
- 7
- d4:
- 11.0
- h:
- 9.0
- E:
- 30
- F:
- 60
- 附帶的滑軌(2) 安裝用螺栓 mm 螺釘的公稱x R:
- M6x16
- 基本額定動 負荷(4) C N:
- 9 120
- 基本額定靜 負荷(4) C0N:
- 10 600
- 額定靜力矩(4) T0 N m:
- 128
- 額定靜力矩(4) Tx N m:
- 57.4 376
- 額定靜力矩(4) Ty N m:
- 48.1 316
