MLFC10C2R160T2PS1
井兮精密軸承(上海)有限公司專業銷售IKO MLFC10C2R160T2PS1導軌,庫存日本IKO MLFC10C2R160T2PS1導軌大量現貨,與廠家常年批量訂購IKO MLFC10C2R160T2PS1導軌,您可來電咨詢庫存、報價、優惠等信息。咨詢熱線:021-36539288

更新時間:2025.12.16 瀏覽量:666
同系列型號
IKO MES35C2R600T1PS1直線導軌基本尺寸參數
- 直線導軌型號:
- MLFC10C2R160T2PS1
- 品牌:
- IKO
- 類型:
- 直線導軌
- 系列:
- 自潤滑直線導軌系列
- 滑塊 kg:
- 6.1
- 滑軌 kg/m:
- 28
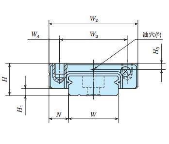
- 裝配尺寸H:
- 6.5
- 裝配尺寸H1:
- 1.5
- 裝配尺寸N:
- 3.5
- W2:
- 17
- W3:
- 13
- W4:
- 2
- L1:
- 20.5
- L2:
- —
- L3:
- 13.6
- M1x深度:
- M2.5x1.5
- H3:
- 1.3
IKO MES35C2R600T1PS1尺寸參數
- 直線導軌型號:
- MLFC10C2R160T2PS1
- W:
- 10
- H4:
- 4
- M2:
- —
- d3:
- 2.9
- d4:
- 4.8
- h:
- 1.6
- E:
- 10
- F:
- 20
- 附帶的滑軌(2) 安裝用螺栓 mm 螺釘的公稱x R:
- 精密設備用+字槽小螺釘 M2.5x7
- 基本額定動 負荷(4) C N:
- 712
- 基本額定靜 負荷(4) C0N:
- 1 180
- 額定靜力矩(4) T0 N m:
- 6.1
- 額定靜力矩(4) Tx N m:
- 2.6 14.9
- 額定靜力矩(4) Ty N m:
- 2.2 12.5
